Update cookies preferences
  • 021.411.44.44
  • 0737.23.44.44
  • 031.413.44.44
  • 0372.27.44.44

Cos de produse

(Nici un produs in cos)

[]

POMPA CENTRIFUGA WILO ECONOMY MHI 803 M

POMPA CENTRIFUGA WILO ECONOMY MHI 803 M - WILOECOMHI803M
WILO
Cod produs: WILOECOMHI803M
Producator: WILO
Model: POMPA CENTRIFUGA WILO ECONOMY MHI 803 M
Categorii: POMPE CENTRIFUGE
Cod producator: 4024304
Greutate reala [kg]: 16

Recomanda prin:



Cere informatii Cost Transport

POMPA CENTRIFUGA WILO ECONOMY MHI 803 M

POMPA CENTRIFUGA WILO ECONOMY MHI 803 M

- DATE TEHNICE -


  • Putere nominala motor P2:1.1  kW
  • Alimentare electrica pompa centrifuga : 1~230 V, 50 Hz resp. 3~400 V, 50 Hz
  • Presiune de aspiratie max. 4 bar
  • Inaltime de pompare max.: 35.5 m
  • Debit maxim: 12 m3/h
  • Temp.fluid pompa centrifuga:-15 grC +110 grC
  • Presiune de lucru pompa :max 10 bar
  • Grad protectie pompa centrifuga:IP 54
  • Turatie nominala : 2900 rot/min
  • Presiune admisie pompa : 6 bar
  • Diametre nominale ale racordurilor tevilor:Rp 1, Rp 1 ¼ sau Rp 1 ½
  • Clasa izoatie pompa centrifuga : F
  • Greutate pompa aprox.:16kg

POMPA CENTRIFUGA WILO ECONOMY MHI
  Codul tipului

POMPA CENTRIFUGA WILO ECONOMY MHI - COD PRODUS

POMPA CENTRIFUGA WILO ECONOMY MHI 803 M - GRAFIC


POMPA CENTRIFUGA WILO ECONOMY MHI 803 M- Grafic

POMPA CENTRIFUGA WILO ECONOMY MHI - GRAFIC SERIE




POMPA CENTRIFUGA WILO ECONOMY MHI  - DETALII


 POMPA CENTRIFUGA WILO ECONOMY MHI

 Materiale:

  • Rotoare, compartimentele etajelor si carcasa pompei din otel inoxidabil 1.4301/1.4404
  • Garnitura EPDM (EP 851)
  • Diffuser/Injector: Noryl
  • Garnitura mecanica din carbune B/carbura de wolfram
  • Lagar din carbura de wolfram
  • Piciorul pompei din aluminiu

Domenii de utilizare :

  • Alimentare cu apa şi ridicare a presiunii
  • Activitati industriale şi mestesugaresti
  • Circuite pentru apa de racire
  • Spalatorii si sisteme de irigare

POMPA CENTRIFUGA WILO ECONOMY MHI - AVANTAJE
  • Componentele aflate în contact cu fluidul, realizate din otel inoxidabil 1.4301 (AISI 304) sau 1.4404 (AISI 316L)
  • Model compact
  • Toate piesele relevante admise KTW si WRAS
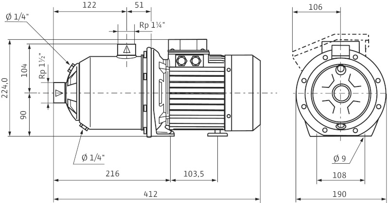
POMPA CENTRIFUGA WILO ECONOMY MHI 803 M - DIMENSIUNI

 

POMPA CENTRIFUGA WILO ECONOMY MHI 803 M - DIMENSIUNI


POMPA CENTRIFUGA WILO ECONOMY MHI 803 M - DOCUMENTE


POMPA CENTRIFUGA WILO ECONOMY MHI 803  POMPA CENTRIFUGA WILO ECONOMY MHI - DATE TEHNICE


Preturi Si Comenzi Online - POMPA CENTRIFUGA WILO ECONOMY MHI 803 M-

Sfaturi de specialitate la Calor SRL




 Comentarii despre POMPA CENTRIFUGA WILO ECONOMY MHI 803 M


 Adaugati aici un nou comentariu


 
Echipa Calorserv incearca sa mentina acuratetea informatiilor referitoare la POMPA CENTRIFUGA WILO ECONOMY MHI 803 M, dar rareori se poate intampla ca acestea sa contina mici inadvertente, cum ar fi: accesorii neincluse in pret, specificatii tehnice diferite, informatii neactualizate despre pret si stoc. Ne puteti contacta oricand pentru a clarifica eventuale nelamuriri in legatura cu orice produs sau serviciu Calorserv. Nu uita sa mentionezi in corespondenta ta numele exact al produsului - in cazul de fata: POMPA CENTRIFUGA WILO ECONOMY MHI 803 M.

Descarca de aici catalogul CALOR

Adauga datele tale de contact mai jos si primeste catalogul CALOR pentru 2008-2009 la adresa de e-mail specificata.

 

Social plugin

Aboneaza-te la newsletter

Adauga datele tale de contact mai jos si primeste noutati CALOR prin email

 

Gaseste solutiile CALOR


Se poate face livrarea "POMPA CENTRIFUGA WILO ECONOMY MHI 803 M" in toate judetele

Alba Iulia - Blaj - Sebeș - Cugir - Aiud

Arad

Arges - Pitesti - Curtea de Arges

Bacau

Bihor - Oradea

Bistrita Nasaud

Botosani

Braila - Făurei

Brasov - Predeal - Fagaras - Victoria

Bucuresti Ilfov

Buzau - Râmnicu Sărat

Calarasi - Oltenita - Lehliu - Fundulea

Caras Severin - Baile Herculane - Resita

Cluj - Turda - Dej - Gherla

Constanta - Mangalia - Medgidia - Cernavoda

Covasna - Sfantu Gheorghe

Dambovita - Targoviste

Dolj - Craiova - Baolesti - Calafat - Filiasi

Galati - Tecuci

Giurgiu

Gorj - Targu Jiu

Harghita - Miercurea Ciuc - Toplita

Hunedoara - Deva - Orastie - Petrosani

Ialomita - Urziceni - Slobozia

Iasi - Pascani

Maramures - Baia Mare - Borșa - Sighetu Marmatiei - Viseu de Sus

Mehedinti - Drobeta-Turnu Severin - Orșova

Mures - Targu Mures - Reghin - Sighisoara

Olt - Bals - Caracal - Slatina - Corabia

Piatra Neamt - Roman - Bicaz - Targu Neamt

Prahova - Ploiesti - Câmpina - Azuga • Băicoi • Boldești-Scăeni • Breaza • Bușteni • Comarnic • Mizil • Plopeni • Sinaia • Slănic • Urlați • Vălenii de Munte

Salaj - Zalau

Satu Mare - Carei

Sibiu - Medias

Suceava - Falticeni - Cimpulung

Teleorman - Alexandria - Turnu Măgurele - Zimnicea -

Timis - Timisoara - Lugoj

Tulcea - Babadag • Isaccea • Măcin • Sulina

Valcea - Drăgășani - Râmnicu Vâlcea - Băile Govora • Băile Olănești • Bălcești • Berbești • Brezoi • Călimănești • Horezu • Ocnele Mari

Vaslui - Birlad - Husi - Negresti - Barlad

Vrancea - Focșani - Adjud - Mărășești - Odobești - Panciu