- 021.411.44.44
- 0737.23.44.44
- 031.413.44.44
- 0372.27.44.44
Cos de produse
(Nici un produs in cos)
[]
POMPA MULTIETAJATA CENTRIFUGALA WILO MULTIVERT MVIE 7004/2

Cod produs: WILOMVMVIE70042
Producator: WILO
Categorii: POMPE CENTRIFUGALE VERTICALE
Cod producator: 4110140
Greutate reala [kg]: 239,0
Diametru nominal flansa: 100
Puterea nominala[kW]: 18,5
Recomanda prin:
POMPA MULTIETAJATA CENTRIFUGALA WILO MULTIVERT MVIE 7004/2
POMPA MULTIETAJATA CENTRIFUGALA WILO MULTIVERT MVIE 7004/2 - DATE TEHNICE |
|
|
|
POMPA MULTIETAJATA CENTRIFUGALA WILO MULTIVERT MVIE - CARACTERISTICI |
|
Pompele WILO MULTIVERT MVIE sunt concepute cu compartimentele etajelor, rotoarele si rotile conducatoare din otel inoxidabil, etansare mecanica independenta de sensul de rotatie. Variantele PN16 cu flansa ovala cu contraflansa, PN25 cu flanse rotunde DIN sau PN16 si PN25 cu flanse rotunde DIN, in functie de dimensiunea pompei Autorizatie KTW/ACS/WRAS pentru toate componentele utilizate (versiune EPDM). Arborii motorului si pompei multietajate centrifugale WILO MULTIVERT MVIE sunt cuplati prin intermediul unui cuplaj tip manson. Pompele WILO MULTIVERT MVIE au un rulment separat de rostogolire pentru piesa intermediara, pentru preluarea completa a fortei axiale a sistemului hidraulic. Pompa multietajata centrifugala WILO MULTIVERT MVIE este dotata cu un motor standard IE2 Level IEC, 3~, 2 poli cu convertizor de frecventa integrat, racit cu aer. |
|
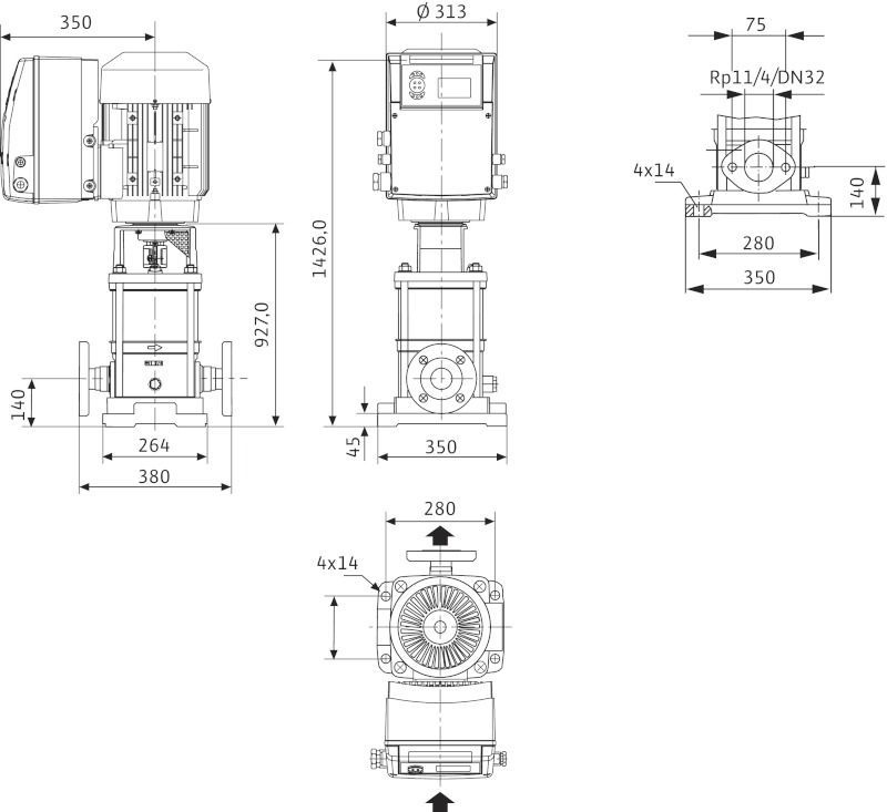
POMPA MULTIETAJATA CENTRIFUGALA WILO MULTIVERT MVIE 7004/2 - DIMENSIUNI |
|
|
|
POMPA MULTIETAJATA CENTRIFUGALA WILO MULTIVERT MVIE 7004/2 - GRAFICE |
|
|
|
POMPE MULTIETAJATE CENTRIFUGALE WILO MULTIVERT MVIE - DOCUMENTE |
|
![]() ![]() |
Preturi Si Comenzi Online - POMPA MULTIETAJATA CENTRIFUGALA WILO MULTIVERT MVIE 7004/2 - Sfaturi de specialitate la CALOR SRL.
Descarca de aici catalogul CALOR
Adauga datele tale de contact mai jos si primeste catalogul CALOR pentru 2008-2009 la adresa de e-mail specificata.
Social plugin
Aboneaza-te la newsletter
Adauga datele tale de contact mai jos si primeste noutati CALOR prin email
Ofertele speciale
CALOR
Gaseste solutiile CALOR
Gazeta instalatorului
solutiile CALOR pentru imbunatatirea spatiilor de locuit sau de lucru
Intrebari si raspunsuri
Se poate face livrarea "POMPA MULTIETAJATA CENTRIFUGALA WILO MULTIVERT MVIE 7004/2" in toate judetele
Alba Iulia - Blaj - Sebeș - Cugir - Aiud
Arad
Arges - Pitesti - Curtea de Arges
Bacau
Bihor - Oradea
Bistrita Nasaud
Botosani
Braila - Făurei
Brasov - Predeal - Fagaras - Victoria
Bucuresti Ilfov
Buzau - Râmnicu Sărat
Calarasi - Oltenita - Lehliu - Fundulea
Caras Severin - Baile Herculane - Resita
Cluj - Turda - Dej - Gherla
Constanta - Mangalia - Medgidia - Cernavoda
Covasna - Sfantu Gheorghe
Dambovita - Targoviste
Dolj - Craiova - Baolesti - Calafat - Filiasi
Galati - Tecuci
Giurgiu
Gorj - Targu Jiu
Harghita - Miercurea Ciuc - Toplita
Hunedoara - Deva - Orastie - Petrosani
Ialomita - Urziceni - Slobozia
Iasi - Pascani
Maramures - Baia Mare - Borșa - Sighetu Marmatiei - Viseu de Sus
Mehedinti - Drobeta-Turnu Severin - Orșova
Mures - Targu Mures - Reghin - Sighisoara
Olt - Bals - Caracal - Slatina - Corabia
Piatra Neamt - Roman - Bicaz - Targu Neamt
Prahova - Ploiesti - Câmpina - Azuga • Băicoi • Boldești-Scăeni • Breaza • Bușteni • Comarnic • Mizil • Plopeni • Sinaia • Slănic • Urlați • Vălenii de Munte
Salaj - Zalau
Satu Mare - Carei
Sibiu - Medias
Suceava - Falticeni - Cimpulung
Teleorman - Alexandria - Turnu Măgurele - Zimnicea -
Timis - Timisoara - Lugoj
Tulcea - Babadag • Isaccea • Măcin • Sulina
Valcea - Drăgășani - Râmnicu Vâlcea - Băile Govora • Băile Olănești • Bălcești • Berbești • Brezoi • Călimănești • Horezu • Ocnele Mari
Vaslui - Birlad - Husi - Negresti - Barlad
Vrancea - Focșani - Adjud - Mărășești - Odobești - Panciu
Comentarii despre POMPA MULTIETAJATA CENTRIFUGALA WILO MULTIVERT MVIE 7004/2
Adaugati aici un nou comentariu