Update cookies preferences
  • 021.411.44.44
  • 0737.23.44.44
  • 031.413.44.44
  • 0372.27.44.44

Cos de produse

(Nici un produs in cos)

[]

POMPA DE CIRCULATIE WILO CRONOLINE IL 50/140-3/2

POMPA DE CIRCULATIE WILO CRONOLINE IL 50/140-3/2 - WILOIL501403
WILO
Cod produs: WILOIL501403
Producator: WILO
Model: POMPA DE CIRCULATIE WILO CRONOLINE IL 50/140-3/2
Categorii: POMPE DE CIRCULATIE
Cod producator: 2088341
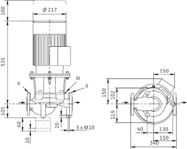
Greutate reala [kg]: 59
Diametru nominal flansa: DN 50
Lungimea[mm]: 340
Putere motor pompa[kW]: 3,00

Recomanda prin:



Cere informatii Cost Transport

POMPA DE CIRCULATIE WILO CRONOLINE IL 50/140-3/2

POMPA DE CIRCULATIE WILO CRONOLINE IL 50/140-3/2- DATE TEHNICE
  • Debit maxim: 32 m3/h
  • Inaltime de pompare max.: 26,5 m
  • Putere motor pompa P2: 3,00  kW
  • Intensitate nominala: 5.8 A
  • Domeniu de temp. admis intre - 20grC si +140grC
  • Turatie pompa : 2900 rot/min
  • Temperatura ambianta max.: 40 grC
  • Presiune lucru pompa circulatie Wilo:
    13 bar (pana la +140 grd C)
    16  bar (pana la +120 grd C)
  • Tip de protectie: IP 55
  • Clasa de izolatie: F
  • Numar de poli pompa circulatie:2 poli
  • Racord flansa: PN 16
  • Diametru nominal flansa: DN 50
  • Lungime: 340 mm
  • Greutate aprox: 60 kg
POMPA CIRCULATIE WILO CRONOLINE IL -Identificare pompa
POMPA DE CIRCULATIE WILO CRONOLINE IL 50/140-3/2 - GRAFICE
POMPA CIRCULATIE WILO CRONOLINE IL 50/140-3/2

POMPA CIRCULATIE WILO CRONOLINE IL 50/140-3/2 - Grafic

POMPA CIRCULATIE WILO CRONOLINE IL - DETALII
       Domeniul de temperatura admis al pompelor din gama WILO CRONOLINE IL este cuprins intre -20 si +140 grd C iar alimentarea electrica este de 3~400 V,50 HZ. Presiunea maxima de lucru  este de16 bar. 
Aceste pompe sunt cu motor uscat, model inline cu racord cu flansa.

Pompa circulatie Wilo TOP RL - Materiale:
  • Carcasa pompei si piese intermediara: Standard EN-GJL-250
  • Rotor hidraulic: Standard EN-GJL-200
  • Arborele: 1.4122
  • Etansare mecanica: AQEGG
Pompa circulatie Wilo TOP RL - Domenii de utilizare:
  • pompare agent termic
  • instalatii de incalzire ,de apa rece si agent de racire
  • pompare amestecuri apa-glicol si agent de racire/apa rece fara substante abrazive
POMPA CIRCULATIE WILO CRONOLINE IL- AVANTAJE
  • se instaleaza usor datorita carcasei pompei cu talpi si gauri filetate
  • protectie crescuta la coroziune datorita stratului de acoperire prin cataforeza
  • motoare cu randament crescut  si cu putere nominala incapand de la 0,75 kW cu tehnologie IE2
  • etansare mecanica cu circulatie fortata , independent de directia de miscare
  • proiectarea optimizata a piesei intermediare
  • pompe prevazute cu gauri de scurgere condens prevazute in carcasa motorului.
POMPA DE CIRCULATIE WILO CRONOLINE IL 50/140-3/2- DIMENSIUNI

POMPA CIRCULATIE WILO CRONOLINE IL 50/140-3/2 - Dimensiuni

Pompe Wilo CRONOLINE IL 50/140-3/2- Dimensiuni Flansa

POMPA CIRCULATIE WILO CRONOLINE IL - DOCUMENTE

POMPA DE CIRCULATIE WILO CRONOLINE IL 50/140-3/2
POMPA CIRCULATIE WILO CRONOLINE IL - PLIANT LIMBA ROMANA

 

Preturi Si Comenzi Online - POMPA DE CIRCULATIE WILO CRONOLINE IL 50/140-3/2

Sfaturi de specialitate la Calor SRL



 Comentarii despre POMPA DE CIRCULATIE WILO CRONOLINE IL 50/140-3/2


 Adaugati aici un nou comentariu


 
Echipa Calorserv incearca sa mentina acuratetea informatiilor referitoare la POMPA DE CIRCULATIE WILO CRONOLINE IL 50/140-3/2, dar rareori se poate intampla ca acestea sa contina mici inadvertente, cum ar fi: accesorii neincluse in pret, specificatii tehnice diferite, informatii neactualizate despre pret si stoc. Ne puteti contacta oricand pentru a clarifica eventuale nelamuriri in legatura cu orice produs sau serviciu Calorserv. Nu uita sa mentionezi in corespondenta ta numele exact al produsului - in cazul de fata: POMPA DE CIRCULATIE WILO CRONOLINE IL 50/140-3/2.

Descarca de aici catalogul CALOR

Adauga datele tale de contact mai jos si primeste catalogul CALOR pentru 2008-2009 la adresa de e-mail specificata.

 

Social plugin

Aboneaza-te la newsletter

Adauga datele tale de contact mai jos si primeste noutati CALOR prin email

 

Gaseste solutiile CALOR


Se poate face livrarea "POMPA DE CIRCULATIE WILO CRONOLINE IL 50/140-3/2" in toate judetele

Alba Iulia - Blaj - Sebeș - Cugir - Aiud

Arad

Arges - Pitesti - Curtea de Arges

Bacau

Bihor - Oradea

Bistrita Nasaud

Botosani

Braila - Făurei

Brasov - Predeal - Fagaras - Victoria

Bucuresti Ilfov

Buzau - Râmnicu Sărat

Calarasi - Oltenita - Lehliu - Fundulea

Caras Severin - Baile Herculane - Resita

Cluj - Turda - Dej - Gherla

Constanta - Mangalia - Medgidia - Cernavoda

Covasna - Sfantu Gheorghe

Dambovita - Targoviste

Dolj - Craiova - Baolesti - Calafat - Filiasi

Galati - Tecuci

Giurgiu

Gorj - Targu Jiu

Harghita - Miercurea Ciuc - Toplita

Hunedoara - Deva - Orastie - Petrosani

Ialomita - Urziceni - Slobozia

Iasi - Pascani

Maramures - Baia Mare - Borșa - Sighetu Marmatiei - Viseu de Sus

Mehedinti - Drobeta-Turnu Severin - Orșova

Mures - Targu Mures - Reghin - Sighisoara

Olt - Bals - Caracal - Slatina - Corabia

Piatra Neamt - Roman - Bicaz - Targu Neamt

Prahova - Ploiesti - Câmpina - Azuga • Băicoi • Boldești-Scăeni • Breaza • Bușteni • Comarnic • Mizil • Plopeni • Sinaia • Slănic • Urlați • Vălenii de Munte

Salaj - Zalau

Satu Mare - Carei

Sibiu - Medias

Suceava - Falticeni - Cimpulung

Teleorman - Alexandria - Turnu Măgurele - Zimnicea -

Timis - Timisoara - Lugoj

Tulcea - Babadag • Isaccea • Măcin • Sulina

Valcea - Drăgășani - Râmnicu Vâlcea - Băile Govora • Băile Olănești • Bălcești • Berbești • Brezoi • Călimănești • Horezu • Ocnele Mari

Vaslui - Birlad - Husi - Negresti - Barlad

Vrancea - Focșani - Adjud - Mărășești - Odobești - Panciu