- 021.411.44.44
- 0737.23.44.44
- 031.413.44.44
- 0372.27.44.44
Cos de produse
(Nici un produs in cos)
[]
POMPA DE CIRCULATIE WILO CRONOLINE IL 65/260-30/2

Cod produs: WILOIL6526030
Producator: WILO
Categorii: POMPE DE CIRCULATIE
Cod producator: 2088346
Greutate reala [kg]: 271
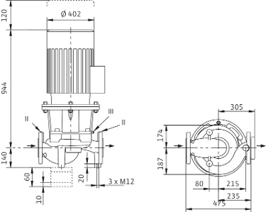
Diametru nominal flansa: DN 65
Lungimea[mm]: 475
Putere motor pompa[kW]: 30,00
Recomanda prin:
POMPA DE CIRCULATIE WILO CRONOLINE IL 65/260-30/2
POMPA DE CIRCULATIE WILO CRONOLINE IL 65/260-30/2- DATE TEHNICE | |
|
|
POMPA DE CIRCULATIE WILO CRONOLINE IL 65/260-30/2 - GRAFICE | |
POMPA CIRCULATIE WILO CRONOLINE IL 65/260- 30/2 | |
POMPA CIRCULATIE WILO CRONOLINE IL - DETALII | |
Domeniul de temperatura admis al pompelor din gama WILO CRONOLINE IL este cuprins intre -20 si +140 grd C iar alimentarea electrica este de 3~400 V,50 HZ. Presiunea maxima de lucru este de16 bar. Aceste pompe sunt cu motor uscat, model inline cu racord cu flansa. Pompa circulatie Wilo TOP RL - Materiale:
|
|
POMPA CIRCULATIE WILO CRONOLINE IL- AVANTAJE | |
|
|
POMPA DE CIRCULATIE WILO CRONOLINE IL 65/260-30/2- DIMENSIUNI | |
|
|
POMPA CIRCULATIE WILO CRONOLINE IL - DOCUMENTE | |
![]() |
Preturi Si Comenzi Online - POMPA DE CIRCULATIE WILO CRONOLINE IL 65/260-30/2
Sfaturi de specialitate la Calor SRL
Descarca de aici catalogul CALOR
Adauga datele tale de contact mai jos si primeste catalogul CALOR pentru 2008-2009 la adresa de e-mail specificata.
Social plugin
Aboneaza-te la newsletter
Adauga datele tale de contact mai jos si primeste noutati CALOR prin email
Ofertele speciale
CALOR
Gaseste solutiile CALOR
Gazeta instalatorului
solutiile CALOR pentru imbunatatirea spatiilor de locuit sau de lucru
Intrebari si raspunsuri
Se poate face livrarea "POMPA DE CIRCULATIE WILO CRONOLINE IL 65/260-30/2" in toate judetele
Alba Iulia - Blaj - Sebeș - Cugir - Aiud
Arad
Arges - Pitesti - Curtea de Arges
Bacau
Bihor - Oradea
Bistrita Nasaud
Botosani
Braila - Făurei
Brasov - Predeal - Fagaras - Victoria
Bucuresti Ilfov
Buzau - Râmnicu Sărat
Calarasi - Oltenita - Lehliu - Fundulea
Caras Severin - Baile Herculane - Resita
Cluj - Turda - Dej - Gherla
Constanta - Mangalia - Medgidia - Cernavoda
Covasna - Sfantu Gheorghe
Dambovita - Targoviste
Dolj - Craiova - Baolesti - Calafat - Filiasi
Galati - Tecuci
Giurgiu
Gorj - Targu Jiu
Harghita - Miercurea Ciuc - Toplita
Hunedoara - Deva - Orastie - Petrosani
Ialomita - Urziceni - Slobozia
Iasi - Pascani
Maramures - Baia Mare - Borșa - Sighetu Marmatiei - Viseu de Sus
Mehedinti - Drobeta-Turnu Severin - Orșova
Mures - Targu Mures - Reghin - Sighisoara
Olt - Bals - Caracal - Slatina - Corabia
Piatra Neamt - Roman - Bicaz - Targu Neamt
Prahova - Ploiesti - Câmpina - Azuga • Băicoi • Boldești-Scăeni • Breaza • Bușteni • Comarnic • Mizil • Plopeni • Sinaia • Slănic • Urlați • Vălenii de Munte
Salaj - Zalau
Satu Mare - Carei
Sibiu - Medias
Suceava - Falticeni - Cimpulung
Teleorman - Alexandria - Turnu Măgurele - Zimnicea -
Timis - Timisoara - Lugoj
Tulcea - Babadag • Isaccea • Măcin • Sulina
Valcea - Drăgășani - Râmnicu Vâlcea - Băile Govora • Băile Olănești • Bălcești • Berbești • Brezoi • Călimănești • Horezu • Ocnele Mari
Vaslui - Birlad - Husi - Negresti - Barlad
Vrancea - Focșani - Adjud - Mărășești - Odobești - Panciu
Comentarii despre POMPA DE CIRCULATIE WILO CRONOLINE IL 65/260-30/2
Adaugati aici un nou comentariu