Update cookies preferences
  • 021.411.44.44
  • 0737.23.44.44
  • 031.413.44.44
  • 0372.27.44.44

Cos de produse

(Nici un produs in cos)

[]

POMPA DE CIRCULATIE WILO VEROLINE IPL 80/140-4/2*

POMPA DE CIRCULATIE WILO VEROLINE IPL 80/140-4/2* - WILOIPL80140
WILO
Cod produs: WILOIPL80140
Producator: WILO
Model: POMPA DE CIRCULATIE WILO VEROLINE IPL 80/140-4/2*
Categorii: POMPE DE CIRCULATIE
Greutate reala [kg]: 53
Diametru nominal flansa: DN 80
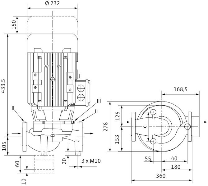
Lungime intre racorduri[mm]: 360
Putere motor pompa[kW]: 4,00
Con producator: 2089615

Recomanda prin:



Cere informatii Cost Transport

POMPA DE CIRCULATIE WILO VEROLINE IPL 80/140-4/2*

POMPA DE CIRCULATIE WILO VEROLINE IPL 80/140 - DATE TEHNICE
  • Putere motor pompa P2: 4,00  kW
  • Domeniu de temp. admis intre
    -  20grd C si +120grd C
  • Temperatura ambianta max.: 40 grd C
  • Diametru nominal flansa: DN 80
  • Flansa: PN 10
  • Turatie pompa : 2900 rot/min
  • Presiune lucru pompa circulatie Wilo: 10 bar
  • Numar poli: 2
  • Tip de protectie: IP 55
  • Clasa de izolatie: F
  • Greutate aprox: 53kg
POMPA CIRCULATIE WILO VEROLINE IPL -Identificare pompa
POMPA DE CIRCULATIE WILO VEROLINE IPL 80/140 - GRAFICE
POMPA CIRCULATIE WILO VEROLINE IPL 80/140
POMPA CIRCULATIE WILO VEROLINE IPL 80/140 - Grafic
POMPA CIRCULATIE WILO VEROLINE IPL Grafic serie (cu 2 poli)

POMPA CIRCULATIE WILO VEROLINE IPL - Grafic serie (cu 2 poli)

POMPA CIRCULATIE WILO VEROLINE IPL - DETALII
        Pompa cu rotor uscat, model inline cu racord filetat sau cu racord cu flansa

Pompa circulatie Wilo VeroLine IPL - Materiale:
  • Carcasa pompei si piesa intermediara: Standard: EN-GJL-250
  • Rotor hidraulic: PP armat cu fibră de sticlă/EN‐GJL‐200 (în funcţie de tipul pompei)
  • Arborele: 1.4021
  • Etansare mecanics: AQEGG; la cerere, alte etansari mecanice
Pompa circulatie Wilo VeroLine IPL - Domenii de utilizare:
  • pomparea apei reci si de racire
  • pompare amestecuri apa-glicol (la 20-40 % vol de glicol si temperatura agentului termic ≤40 grd C)
  • pompare agent termic (conform VDI 2035)
  • in instalatii de incalzire
POMPA CIRCULATIE WILO VEROLINE IPL - AVANTAJE
  • Motoare cu grad de eficienta crescut, ca dotare de serie; motoare cu putere nominala incepand de la 0,75 kW cu tehnologie IE2
  • Protectie crescuta la coroziune datorita stratului de acoperire prin cataforeza
  • Orificii de scurgere pentru condens, ca dotare de serie, în carcasele motorului si pe capul pompei
  • Varianta de serie: Ax comun pompa-motor
  • Varianta N: Motoare standard B5 sau V1, cu ax din otel inoxidabil si cuplaj demontabil pompa-motor
  • Etansare mecanica cu circulatia fortata, independent de directia de miscare
  • Instalare simpla datorita carcasei pompei cu talpi si gauri filetate
POMPA DE CIRCULATIE WILO CVEROLINE IPL 80/140 - DIMENSIUNI

Pompa

Pompa de circulatie WILO CRONOTWIN DL-E 80/140 - Dimensiune flansa

POMPA CIRCULATIE WILO VEROLINE IPL - DOCUMENTE

POMPA DE CIRCULATIE WILO VEROLINE IPL 80/140-4/2*
POMPA CIRCULATIE WILO VEROLINE IPL - PLIANT DATE TEHNICE

 

Preturi Si Comenzi Online - POMPA DE CIRCULATIE WILO VEROLINE IPL 80/140

Sfaturi de specialitate la Calor SRL



 Comentarii despre POMPA DE CIRCULATIE WILO VEROLINE IPL 80/140-4/2*


 Adaugati aici un nou comentariu


 
Echipa Calorserv incearca sa mentina acuratetea informatiilor referitoare la POMPA DE CIRCULATIE WILO VEROLINE IPL 80/140-4/2*, dar rareori se poate intampla ca acestea sa contina mici inadvertente, cum ar fi: accesorii neincluse in pret, specificatii tehnice diferite, informatii neactualizate despre pret si stoc. Ne puteti contacta oricand pentru a clarifica eventuale nelamuriri in legatura cu orice produs sau serviciu Calorserv. Nu uita sa mentionezi in corespondenta ta numele exact al produsului - in cazul de fata: POMPA DE CIRCULATIE WILO VEROLINE IPL 80/140-4/2*.

Descarca de aici catalogul CALOR

Adauga datele tale de contact mai jos si primeste catalogul CALOR pentru 2008-2009 la adresa de e-mail specificata.

 

Social plugin

Aboneaza-te la newsletter

Adauga datele tale de contact mai jos si primeste noutati CALOR prin email

 

Gaseste solutiile CALOR


Se poate face livrarea "POMPA DE CIRCULATIE WILO VEROLINE IPL 80/140-4/2*" in toate judetele

Alba Iulia - Blaj - Sebeș - Cugir - Aiud

Arad

Arges - Pitesti - Curtea de Arges

Bacau

Bihor - Oradea

Bistrita Nasaud

Botosani

Braila - Făurei

Brasov - Predeal - Fagaras - Victoria

Bucuresti Ilfov

Buzau - Râmnicu Sărat

Calarasi - Oltenita - Lehliu - Fundulea

Caras Severin - Baile Herculane - Resita

Cluj - Turda - Dej - Gherla

Constanta - Mangalia - Medgidia - Cernavoda

Covasna - Sfantu Gheorghe

Dambovita - Targoviste

Dolj - Craiova - Baolesti - Calafat - Filiasi

Galati - Tecuci

Giurgiu

Gorj - Targu Jiu

Harghita - Miercurea Ciuc - Toplita

Hunedoara - Deva - Orastie - Petrosani

Ialomita - Urziceni - Slobozia

Iasi - Pascani

Maramures - Baia Mare - Borșa - Sighetu Marmatiei - Viseu de Sus

Mehedinti - Drobeta-Turnu Severin - Orșova

Mures - Targu Mures - Reghin - Sighisoara

Olt - Bals - Caracal - Slatina - Corabia

Piatra Neamt - Roman - Bicaz - Targu Neamt

Prahova - Ploiesti - Câmpina - Azuga • Băicoi • Boldești-Scăeni • Breaza • Bușteni • Comarnic • Mizil • Plopeni • Sinaia • Slănic • Urlați • Vălenii de Munte

Salaj - Zalau

Satu Mare - Carei

Sibiu - Medias

Suceava - Falticeni - Cimpulung

Teleorman - Alexandria - Turnu Măgurele - Zimnicea -

Timis - Timisoara - Lugoj

Tulcea - Babadag • Isaccea • Măcin • Sulina

Valcea - Drăgășani - Râmnicu Vâlcea - Băile Govora • Băile Olănești • Bălcești • Berbești • Brezoi • Călimănești • Horezu • Ocnele Mari

Vaslui - Birlad - Husi - Negresti - Barlad

Vrancea - Focșani - Adjud - Mărășești - Odobești - Panciu